Common Choice for 375 Brand Customers
Home
Product
Case
About
Contact
×
Home
Product
Applications
About us
Customer service
Case
News
Contact
中文
English
About us
Company Introduction
Corporate Video
Corporate culture
Development history
Test report
Honor
Visit the factory
Employee Style
Our advantages
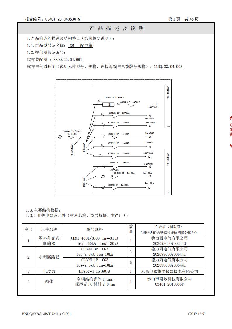
XM Test Report
Pubdate:2024/11/14 16:57:21
完整版实验报告请联系业务经理